SCADA
CN
JP CN EN

解决方案

Scoll
分布式 微电网 通讯 离网 新能源资产投资

微电网解决方案

适用于电网不稳定,电网容量不足,无电网覆盖地区

系统特点

系统原理图

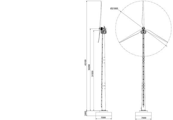
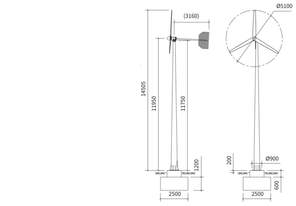
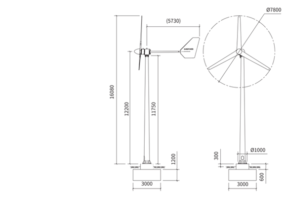
相关产品 

相关案例